Электронная дорога / Электронный город

Задняя ступица с механизмом свободного хода HT MINI

Мотор-концентратор HT MINI Thread on Freewheel предназначен для электронных городских и дорожных велосипедов, что делает его одним из самых маленьких мотор-концентраторов с внешним ротором на рынке. Он совместим с аккумуляторными системами напряжением от 36 до 48 В, весит всего 1,95 кг и обеспечивает номинальную мощность 220 Вт с крутящим моментом более 30 Нм. Мощность двигателя может достигать 250 Вт с крутящим моментом 40 Нм. Конструкция внешнего ротора снижает совокупные ошибки, повышая прочность, стабильность и долговечность.

Ключевой параметр
Структура двигателя: Номинальное напряжение (В): Номинальная мощность (Вт):
Мотор-концентратор Outrunner 36-48 180-250
Пиковый крутящий момент (Нм): Вес (кг): СТАРЫЙ (мм):
40 1,95(220Вт) 135
подробная информация
  • Задняя ступица с механизмом свободного хода HT MINI
  • Задняя ступица с механизмом свободного хода HT MINI
Нинбо Иньчжоу HENTACH Электромеханическая Компания, Лтд. Product Parameters Нинбо Иньчжоу HENTACH Электромеханическая Компания, Лтд. Drawing Нинбо Иньчжоу HENTACH Электромеханическая Компания, Лтд. Contact Us

Основные данные

Номинальная мощность 180-250
Номинальное напряжение 36-48
Диаметр колеса 20-28
Диапазон скоростей 25-38
Максимальный крутящий момент 40
Передаточное число 5
Вес (кг) 1,95 (220 Вт)

Параметры установки

Тормоз Дисковый тормоз
Кассета датчика крутящего момента Нет
Кабельный маршрут Ось Центральная Правая
Говорил отверстие 2-18-Ф3.2
Рейтинг водонепроницаемости IP54(до IP65)
Маховик/Звездочка Роторный 7-скоростной
Сертификаты ТУВ/EN15194/RoHS

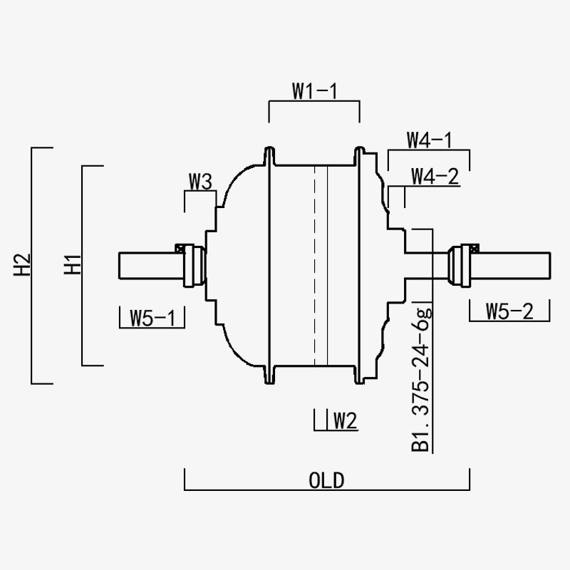
H1/ ОД: 95.5
H2/Двигатель ОД: 112.5
П1(-1/-2): 43
П2: 6
W3: 15
П4(-1/-2): 39/9
П5(-1/-2): 31/39
СТАРЫЙ: 135
Длина оси: 205
Нинбо Иньчжоу HENTACH Электромеханическая Компания, Лтд.
свяжитесь с нами
  • Отправьте и отправьте
Нинбо Иньчжоу HENTACH Электромеханическая Компания, Лтд.
ЧТО НАС ОТЛИЧАЕТ
  • Двигатель имеет внешний диаметр 95 мм, 7-скоростной поворотный маховик, вес всего 1,95 кг, сверхлегкий двигатель с внешним ротором, номинальную мощность 250 Вт и крутящий момент до 40 Нм. Партнер по электровелосипедам.

  • Запатентованная пластиковая стальная шестерня: крутящий момент в 5 раз выше, чем у нейлоновых шестерен; срок службы более 40 000 километров; более низкое послепродажное обслуживание

  • Двигатель с внешним ротором: более стабильная конструкция, чем внутренний ротор, меньшая частота отказов

КТО МЫ Более чем 20 лет производственного опыта.

Нинбо Иньчжоу HENTACH Электромеханическая Компания, Лтд. (ранее Hengtai Motor) Основанная в 1995 году и ранее известная как «Hengtai Motor» (китайское название нашей компании), в 2020 году мы официально приняли английское название «HENTACH Motor». Оба названия представляют одного и того же проверенного производителя, более 30 лет занимающегося электромеханическими инновациями. Специализируясь на литье и прецизионной обработке миниатюрных двигателей постоянного тока, ступичных электродвигателей/мотоциклов и алюминиево-магниевых сплавов для электромобилей, мы сочетаем строгую систему контроля качества ISO 9001, зрелые методы управления и передовое производственное/испытательное оборудование для предоставления надежных решений.

With end-to-end capabilities spanning from raw material casting to final product delivery, we serve diverse markets including e-bikes, cargo vehicles, AGVs, golf cars, agricultural machinery, and e-karting. Our 9,000+㎡ campus (5,000㎡ built area) houses over 60 units of advanced production equipment, including 500-ton die-casting machines, precision CNC machine tools, laser marking systems, micro-arc oxidation lines, and two dedicated electric vehicle motor test benches. This infrastructure ensures efficient production and strict compliance with international quality standards.

В HENTACH (Хэнтай) мы уделяем приоритетное внимание высококачественным материалам и запатентованным технологиям: наша запатентованная шестерня из нейлоновой стали является свидетельством нашего технического совершенства. Чтобы подтвердить долговечность, мы однажды запустили программу гарантии пробега для двигателей, пробег которых превышает 30 000 миль. Результат? Более 50 двигателей не только достигли этого показателя, но и превзошли его, причем некоторые из них достигли впечатляющих 50 000 миль. Эти реальные характеристики отражают наше неизменное внимание к надежности и мотивируют нас постоянно внедрять инновации для создания более умных и мощных решений в области двигателей.​
Доверьтесь бренду, известному во всем мире как Hengtai Motor и HENTACH Motor, где запатентованные инновации в стальных шестернях сочетаются с проверенной долговечностью.

Сертифицировано Сертификаты