электронный жир/электронный груз

Задний мотор-концентратор S-Type Pro RC

Задний мотор-редуктор S-Type Pro RC предназначен для велосипедов E-Cargo и E-Fat и имеет номинальную мощность от 750 до 1500 Вт. Он оснащен 8-10-скоростной кассетой, дропаутом 190 мм и максимальным крутящим моментом более 145 Нм. Этот двигатель обеспечивает сильную тягу на низких скоростях, обеспечивая стабильную способность преодолевать подъемы на крутых склонах, мягком песке или скользкой местности. Оснащенный запатентованными металлическими нейлоновыми шестернями HT, он в пять раз прочнее традиционных нейлоновых шестерен, имеет срок службы более 40 000 км и значительно снижает затраты на техническое обслуживание. В ступичных двигателях электровелосипедов мощностью более 1000 Вт только шестерни из пластиковой стали HT могут выдерживать постоянный крутящий момент выше 100 Нм.

Ключевой параметр
Структура двигателя: Номинальное напряжение (В): Номинальная мощность (Вт):
/ 36-60 600-1500
Пиковый крутящий момент (Нм): Вес (кг): СТАРЫЙ (мм):
145 6 190
подробная информация
  • Задний мотор-концентратор S-Type Pro RC
  • Задний мотор-концентратор S-Type Pro RC
Нинбо Иньчжоу HENTACH Электромеханическая Компания, Лтд. Product Parameters Нинбо Иньчжоу HENTACH Электромеханическая Компания, Лтд. Drawing Нинбо Иньчжоу HENTACH Электромеханическая Компания, Лтд. Contact Us

Основные данные

Номинальная мощность 600-1500
Номинальное напряжение 36-60
Диаметр колеса 20-26
Диапазон скоростей 35-65
Максимальный крутящий момент 145
Передаточное число 5
Вес (кг) 6

Параметры установки

Тормоз Дисковый тормоз
Кассета датчика крутящего момента Нет
Кабельный маршрут Сторона оси слева
Говорил отверстие 2-18-Ф3.2
Рейтинг водонепроницаемости IP54(до IP65)
Маховик/Звездочка Кафей 7-10 скоростей
Сертификаты ТУВ/EN15194/RoHS

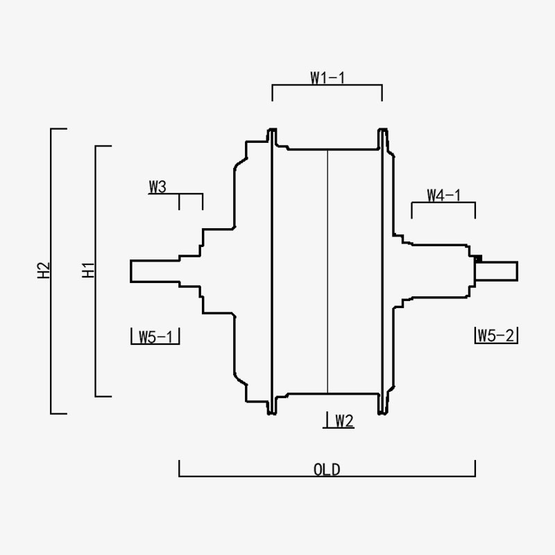
H1/ ОД: 162
H2/Двигатель ОД: 183
П1(-1/-2): 70.8
П2: 0
W3: 15.2
П4(-1/-2): 40.5
П5(-1/-2): 31/27
СТАРЫЙ: 190
Длина оси: 248
Нинбо Иньчжоу HENTACH Электромеханическая Компания, Лтд.
свяжитесь с нами
  • Отправьте и отправьте
Нинбо Иньчжоу HENTACH Электромеханическая Компания, Лтд.
ЧТО НАС ОТЛИЧАЕТ
  • Мощный задний привод с открытыми шестернями диаметром 190 мм и номинальной мощностью до 1500 Вт.

  • Изобретены запатентованные пластиковые шестерни: крутящий момент в 5 раз выше, чем у нейлоновых шестерен; срок службы более 40 000 км; более низкое послепродажное обслуживание

  • Крутящий момент до 145 Нм или более, предназначен для EFA/Cargo.

КТО МЫ Более чем 20 лет производственного опыта.

Нинбо Иньчжоу HENTACH Электромеханическая Компания, Лтд. (ранее Hengtai Motor) Основанная в 1995 году и ранее известная как «Hengtai Motor» (китайское название нашей компании), в 2020 году мы официально приняли английское название «HENTACH Motor». Оба названия представляют одного и того же проверенного производителя, более 30 лет занимающегося электромеханическими инновациями. Специализируясь на литье и прецизионной обработке миниатюрных двигателей постоянного тока, ступичных электродвигателей/мотоциклов и алюминиево-магниевых сплавов для электромобилей, мы сочетаем строгую систему контроля качества ISO 9001, зрелые методы управления и передовое производственное/испытательное оборудование для предоставления надежных решений.

With end-to-end capabilities spanning from raw material casting to final product delivery, we serve diverse markets including e-bikes, cargo vehicles, AGVs, golf cars, agricultural machinery, and e-karting. Our 9,000+㎡ campus (5,000㎡ built area) houses over 60 units of advanced production equipment, including 500-ton die-casting machines, precision CNC machine tools, laser marking systems, micro-arc oxidation lines, and two dedicated electric vehicle motor test benches. This infrastructure ensures efficient production and strict compliance with international quality standards.

В HENTACH (Хэнтай) мы уделяем приоритетное внимание высококачественным материалам и запатентованным технологиям: наша запатентованная шестерня из нейлоновой стали является свидетельством нашего технического совершенства. Чтобы подтвердить долговечность, мы однажды запустили программу гарантии пробега для двигателей, пробег которых превышает 30 000 миль. Результат? Более 50 двигателей не только достигли этого показателя, но и превзошли его, причем некоторые из них достигли впечатляющих 50 000 миль. Эти реальные характеристики отражают наше неизменное внимание к надежности и мотивируют нас постоянно внедрять инновации для создания более умных и мощных решений в области двигателей.​
Доверьтесь бренду, известному во всем мире как Hengtai Motor и HENTACH Motor, где запатентованные инновации в стальных шестернях сочетаются с проверенной долговечностью.

Сертифицировано Сертификаты