eMTB / Электронный груз

Мотор задней ступицы E-Type Pro RC750

Задний мотор-концентратор E-Type Pro RC750 предназначен для велосипедов E-Cargo и E-MTB, совместим с 8-10-скоростными кассетами и дропаутом 142 мм. Благодаря номинальной мощности 750 Вт и крутящему моменту более 85 Нм он легко справляется с высокими нагрузками и на сложной местности. Двигатель оснащен запатентованными HENTACH шестернями из стали и нейлона, которые обеспечивают в пять раз больший крутящий момент, чем традиционные нейлоновые шестерни, служат более 40 000 км и значительно снижают затраты на техническое обслуживание.

Ключевой параметр
Структура двигателя: Номинальное напряжение (В): Номинальная мощность (Вт):
Задний приводной мотор-концентратор 36-48 350-750
Пиковый крутящий момент (Нм): Вес (кг): СТАРЫЙ (мм):
85 5.3 142
подробная информация
  • Мотор задней ступицы E-Type Pro RC750
  • Мотор задней ступицы E-Type Pro RC750
Нинбо Иньчжоу HENTACH Электромеханическая Компания, Лтд. Product Parameters Нинбо Иньчжоу HENTACH Электромеханическая Компания, Лтд. Drawing Нинбо Иньчжоу HENTACH Электромеханическая Компания, Лтд. Contact Us

Основные данные

Номинальная мощность 350-750
Номинальное напряжение 36-48
Диаметр колеса 20-28
Диапазон скоростей 25-38
Максимальный крутящий момент 85
Передаточное число 5.27
Вес (кг) 5.3

Параметры установки

Тормоз дисковый тормоз
Кассета датчика крутящего момента Да
Кабельный маршрут Сторона оси слева
Говорил отверстие 2-18-Ф3.2
Рейтинг водонепроницаемости IP54(до IP65)
Маховик/Звездочка КАФИ 7-10 скоростей
Сертификаты ТУВ/EN15194/RoHS

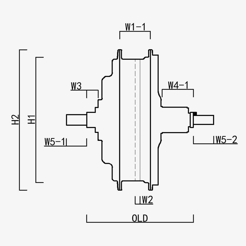
H1/ ОД: 167
H2/Двигатель ОД: 187
П1(-1/-2): 40.8
П2: 6.65
W3: 15.2
П4(-1/-2): 41.5
П5(-1/-2): 27
СТАРЫЙ: 142
Длина оси: 196
Нинбо Иньчжоу HENTACH Электромеханическая Компания, Лтд.
свяжитесь с нами
  • Отправьте и отправьте
Нинбо Иньчжоу HENTACH Электромеханическая Компания, Лтд.
ЧТО НАС ОТЛИЧАЕТ
  • Мощный задний привод с 10-скоростным кассетным маховиком, отверстием шестерни 142 мм, более высокой адаптируемостью и номинальной мощностью до 750 Вт.

  • Запатентованная пластиковая стальная шестерня: крутящий момент в 5 раз выше, чем у нейлоновой шестерни; срок службы более 40 000 километров; более низкое послепродажное обслуживание

  • Крутящий момент до 85 Нм, специально разработан для eMTB/Cargo.

КТО МЫ Более чем 20 лет производственного опыта.

Нинбо Иньчжоу HENTACH Электромеханическая Компания, Лтд. (ранее Hengtai Motor) Основанная в 1995 году и ранее известная как «Hengtai Motor» (китайское название нашей компании), в 2020 году мы официально приняли английское название «HENTACH Motor». Оба названия представляют одного и того же проверенного производителя, более 30 лет занимающегося электромеханическими инновациями. Специализируясь на литье и прецизионной обработке миниатюрных двигателей постоянного тока, ступичных электродвигателей/мотоциклов и алюминиево-магниевых сплавов для электромобилей, мы сочетаем строгую систему контроля качества ISO 9001, зрелые методы управления и передовое производственное/испытательное оборудование для предоставления надежных решений.

With end-to-end capabilities spanning from raw material casting to final product delivery, we serve diverse markets including e-bikes, cargo vehicles, AGVs, golf cars, agricultural machinery, and e-karting. Our 9,000+㎡ campus (5,000㎡ built area) houses over 60 units of advanced production equipment, including 500-ton die-casting machines, precision CNC machine tools, laser marking systems, micro-arc oxidation lines, and two dedicated electric vehicle motor test benches. This infrastructure ensures efficient production and strict compliance with international quality standards.

В HENTACH (Хэнтай) мы уделяем приоритетное внимание высококачественным материалам и запатентованным технологиям: наша запатентованная шестерня из нейлоновой стали является свидетельством нашего технического совершенства. Чтобы подтвердить долговечность, мы однажды запустили программу гарантии пробега для двигателей, пробег которых превышает 30 000 миль. Результат? Более 50 двигателей не только достигли этого показателя, но и превзошли его, причем некоторые из них достигли впечатляющих 50 000 миль. Эти реальные характеристики отражают наше неизменное внимание к надежности и мотивируют нас постоянно внедрять инновации для создания более умных и мощных решений в области двигателей.​
Доверьтесь бренду, известному во всем мире как Hengtai Motor и HENTACH Motor, где запатентованные инновации в стальных шестернях сочетаются с проверенной долговечностью.

Сертифицировано Сертификаты