Дорога / E-дорога

Двигатель задней ступицы со сквозной осью D-ТИПА

Задний ступичный двигатель D-TYPE THRU AXLE, предназначенный для электронных горных велосипедов и шоссейных электровелосипедов/гравалов, весит всего 2,4 кг (включая кассету) со сквозной осью 148 мм. Его легкая конструкция и конструкция сквозной оси обеспечивают высокую прочность и устойчивость во время езды на высокой скорости. Обладая номинальной мощностью 48 В, 250 Вт и крутящим моментом более 50 Нм, он совместим с кассетой датчика крутящего момента, обеспечивая плавное ускорение и отзывчивость на различных поверхностях.

Ключевой параметр
Структура двигателя: Номинальное напряжение (В): Номинальная мощность (Вт):
Мотор-концентратор Outrunner 36-48 220-250
Пиковый крутящий момент (Нм): Вес (кг): СТАРЫЙ (мм):
>50 морских миль 2.4 (с кассетой) 141
подробная информация
  • Двигатель задней ступицы со сквозной осью D-ТИПА
  • Двигатель задней ступицы со сквозной осью D-ТИПА
Нинбо Иньчжоу HENTACH Электромеханическая Компания, Лтд. Product Parameters Нинбо Иньчжоу HENTACH Электромеханическая Компания, Лтд. Drawing Нинбо Иньчжоу HENTACH Электромеханическая Компания, Лтд. Contact Us

Основные данные

Номинальная мощность 220-250
Номинальное напряжение 36-48
Диаметр колеса 20-28
Диапазон скоростей 25-32
Максимальный крутящий момент >50 морских миль
Передаточное число 6.3
Вес (кг) 2.4 (с кассетой)

Параметры установки

Тормоз дисковый тормоз
Кассета датчика крутящего момента Да
Кабельный маршрут Сторона оси слева
Говорил отверстие 2-18-Ф3.2
Рейтинг водонепроницаемости IP54(до IP65)
Маховик/Звездочка Кассета 7-12 скоростей/Кассета 7-12 скоростей
Сертификаты ТУВ/EN15194/RoHS

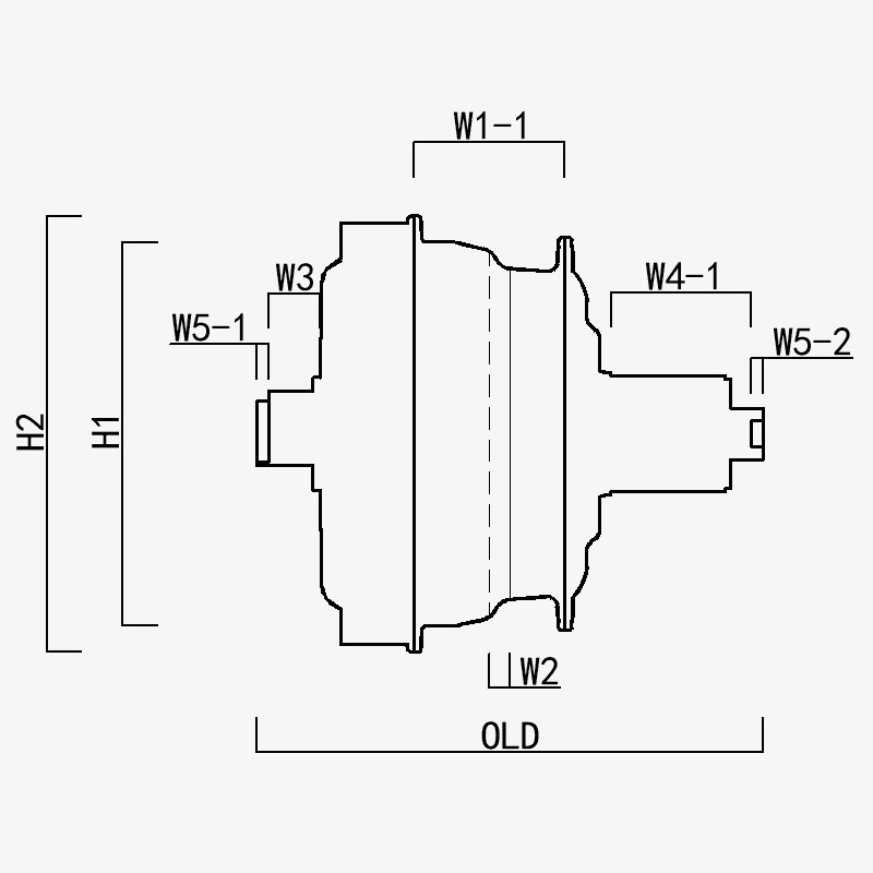
H1/ ОД: 112
H2/Двигатель ОД: 128
П1(-1/-2): 44
П2: 6
W3: 15.25
П4(-1/-2): 42.5
П5(-1/-2): 3.5
СТАРЫЙ: 141
Длина оси: 148
Нинбо Иньчжоу HENTACH Электромеханическая Компания, Лтд.
свяжитесь с нами
  • Отправьте и отправьте
Нинбо Иньчжоу HENTACH Электромеханическая Компания, Лтд.
ЧТО НАС ОТЛИЧАЕТ
  • Запатентованная пластиковая стальная шестерня: крутящий момент в 5 раз выше, чем у нейлоновой шестерни; срок службы более 40 000 км; более низкое послепродажное обслуживание

  • Двигатель с внешним ротором: более стабильная конструкция и меньшая частота отказов по сравнению с двигателем с внутренним ротором.

  • Стандартная конструкция цилиндрического вала диаметром 10 мм, более легкая и меньшая по размеру, с отверстием шестерни 142 мм, может достигать крутящего момента> 50 Нм, двигатель с цилиндрическим валом мощностью 250 Вт с самым большим крутящим моментом на рынке

КТО МЫ Более чем 20 лет производственного опыта.

Нинбо Иньчжоу HENTACH Электромеханическая Компания, Лтд. (ранее Hengtai Motor) Основанная в 1995 году и ранее известная как «Hengtai Motor» (китайское название нашей компании), в 2020 году мы официально приняли английское название «HENTACH Motor». Оба названия представляют одного и того же проверенного производителя, более 30 лет занимающегося электромеханическими инновациями. Специализируясь на литье и прецизионной обработке миниатюрных двигателей постоянного тока, ступичных электродвигателей/мотоциклов и алюминиево-магниевых сплавов для электромобилей, мы сочетаем строгую систему контроля качества ISO 9001, зрелые методы управления и передовое производственное/испытательное оборудование для предоставления надежных решений.

With end-to-end capabilities spanning from raw material casting to final product delivery, we serve diverse markets including e-bikes, cargo vehicles, AGVs, golf cars, agricultural machinery, and e-karting. Our 9,000+㎡ campus (5,000㎡ built area) houses over 60 units of advanced production equipment, including 500-ton die-casting machines, precision CNC machine tools, laser marking systems, micro-arc oxidation lines, and two dedicated electric vehicle motor test benches. This infrastructure ensures efficient production and strict compliance with international quality standards.

В HENTACH (Хэнтай) мы уделяем приоритетное внимание высококачественным материалам и запатентованным технологиям: наша запатентованная шестерня из нейлоновой стали является свидетельством нашего технического совершенства. Чтобы подтвердить долговечность, мы однажды запустили программу гарантии пробега для двигателей, пробег которых превышает 30 000 миль. Результат? Более 50 двигателей не только достигли этого показателя, но и превзошли его, причем некоторые из них достигли впечатляющих 50 000 миль. Эти реальные характеристики отражают наше неизменное внимание к надежности и мотивируют нас постоянно внедрять инновации для создания более умных и мощных решений в области двигателей.​
Доверьтесь бренду, известному во всем мире как Hengtai Motor и HENTACH Motor, где запатентованные инновации в стальных шестернях сочетаются с проверенной долговечностью.

Сертифицировано Сертификаты